
Подшипники серии UC представляют собой стандартизированные, широко используемые сферические подшипниковые узлы со стяжными втулками. Основой узла является радиальный шарикоподшипник, имеющий сферическую наружную поверхность (сферический наружный диаметр – SPB), который устанавливается в соответствующий сферический пауз чугунного корпуса. Эта серия, изготавливаемая по метрическим стандартам (ISO/ГОСТ), специально разработана для применения в промышленности, где требуются высокая грузоподъемность, простота монтажа и надежная работа.
| ISO | UK211 | |
| Sleeve No. | HA2311 | |
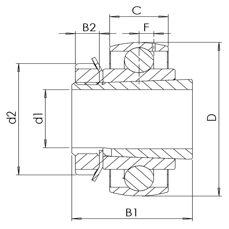
| Диаметр отверстия | d | 2.1654 in |
| Наружный диаметр | D | 3.937 in |
| Общая ширина подшипника | B | 1.378 in |
| Ширина внутреннего кольца | B1 | 2.323 in |
| Диаметр вала | d1 | 1-15/16 in |
| Ширина наружного кольца | C | 0.9843 in |
| Наружный диаметр эксцентриковой стопорной гайки/кольца закрепительной втулки | d2 | 2.953 in |
| Расстояние от центра OR до центра зоны смазки | F | 0.276 in |
| Динамическая грузоподъёмность | C | 26 kN |
| Статическая грузоподъёмность | C0 | 18 kN |
| Вес | 1.15 kg | |
Благодаря своей надежности, простоте эксплуатации и стабильной работе, подшипники UC широко применяются в различных отраслях:
Выбирая подшипники серии UC, вы выбираете надежность, экономическую эффективность и стабильную работу вашего оборудования.