
Подшипники серии UC представляют собой стандартизированные, широко используемые сферические подшипниковые узлы со стяжными втулками. Основой узла является радиальный шарикоподшипник, имеющий сферическую наружную поверхность (сферический наружный диаметр – SPB), который устанавливается в соответствующий сферический пауз чугунного корпуса. Эта серия, изготавливаемая по метрическим стандартам (ISO/ГОСТ), специально разработана для применения в промышленности, где требуются высокая грузоподъемность, простота монтажа и надежная работа.
| ISO | UK208 | |
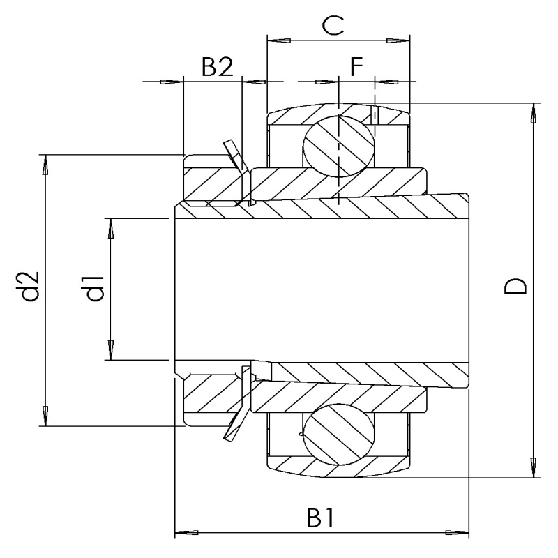
| Sleeve No. | H2308 | |
| Диаметр отверстия | d | 40 mm |
| Наружный диаметр | D | 80 mm |
| Общая ширина подшипника | B | 31 mm |
| Ширина внутреннего кольца | B1 | 46 mm |
| Диаметр вала | d1 | 35 mm |
| Ширина наружного кольца | C | 21 mm |
| Наружный диаметр эксцентриковой стопорной гайки/кольца закрепительной втулки | d2 | 58 mm |
| Расстояние от центра OR до центра зоны смазки | F | 6.2 mm |
| Динамическая грузоподъёмность | C | 17.7 kN |
| Статическая грузоподъёмность | C0 | 11 kN |
| Вес | 0.67 kg | |
Благодаря своей надежности, простоте эксплуатации и стабильной работе, подшипники UC широко применяются в различных отраслях:
Выбирая подшипники серии UC, вы выбираете надежность, экономическую эффективность и стабильную работу вашего оборудования.