
Подшипники серии UC представляют собой стандартизированные, широко используемые сферические подшипниковые узлы со стяжными втулками. Основой узла является радиальный шарикоподшипник, имеющий сферическую наружную поверхность (сферический наружный диаметр – SPB), который устанавливается в соответствующий сферический пауз чугунного корпуса. Эта серия, изготавливаемая по метрическим стандартам (ISO/ГОСТ), специально разработана для применения в промышленности, где требуются высокая грузоподъемность, простота монтажа и надежная работа.
| ISO | UCS202-10 | |
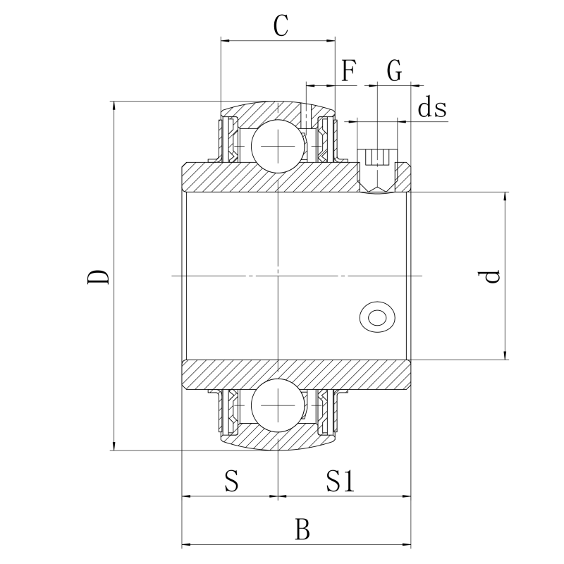
| Диаметр вала | d | 5/8 in |
| Наружный диаметр наружного кольца | D | 1.5748 in |
| Ширина внутреннего кольца | B | 1.0787 in |
| Расстояние передняя сторона центр подшипника | s | 0.4528 in |
| Ширина наружного кольца | C | 0.5512 in |
| Расстояние от боковой поверхности стопорного устройства до центра дорожки качения | s1 | 0.626 in |
| Размер установочного винта | ds | 10-32UNF in |
| Расстояние до установочного винта | G | 0.157 in |
| Расстояние от центра ОР до центра зоны смазки |
F | 0.146 in |
| Динамическая грузоподъёмность | C | 5.8 kN |
| Статическая грузоподъёмность | C0 | 2.8 kN |
| Вес | 0.11 kg | |
Благодаря своей надежности, простоте эксплуатации и стабильной работе, подшипники UC широко применяются в различных отраслях:
Выбирая подшипники серии UC, вы выбираете надежность, экономическую эффективность и стабильную работу вашего оборудования.