
Подшипники серии UC представляют собой стандартизированные, широко используемые сферические подшипниковые узлы со стяжными втулками. Основой узла является радиальный шарикоподшипник, имеющий сферическую наружную поверхность (сферический наружный диаметр – SPB), который устанавливается в соответствующий сферический пауз чугунного корпуса. Эта серия, изготавливаемая по метрическим стандартам (ISO/ГОСТ), специально разработана для применения в промышленности, где требуются высокая грузоподъемность, простота монтажа и надежная работа.
| ISO | UCC211 | |
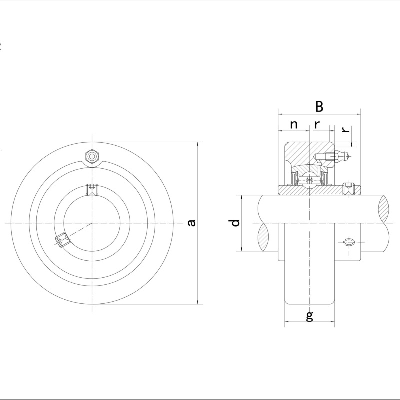
| Bearing No. | UC211 | |
| Housing | C211 | |
| Диаметр вала | d | 55 mm |
| Полная ширина | a | 125 mm |
| Ширина корпуса | g | 35 mm |
| Размер фаски | r | 2.5 mm |
| Ширина внутреннего кольца | B | 55.6 mm |
| Расстояние передняя сторона/центр подшипника | n | 22.2 mm |
| Вес | 2.18 kg | |
Благодаря своей надежности, простоте эксплуатации и стабильной работе, подшипники UC широко применяются в различных отраслях:
Выбирая подшипники серии UC, вы выбираете надежность, экономическую эффективность и стабильную работу вашего оборудования.