
Подшипники серии UC представляют собой стандартизированные, широко используемые сферические подшипниковые узлы со стяжными втулками. Основой узла является радиальный шарикоподшипник, имеющий сферическую наружную поверхность (сферический наружный диаметр – SPB), который устанавливается в соответствующий сферический пауз чугунного корпуса. Эта серия, изготавливаемая по метрическим стандартам (ISO/ГОСТ), специально разработана для применения в промышленности, где требуются высокая грузоподъемность, простота монтажа и надежная работа.
| ISO | UCC209-28 | |
| Bearing No. | UC209-28 | |
| Housing | C209 | |
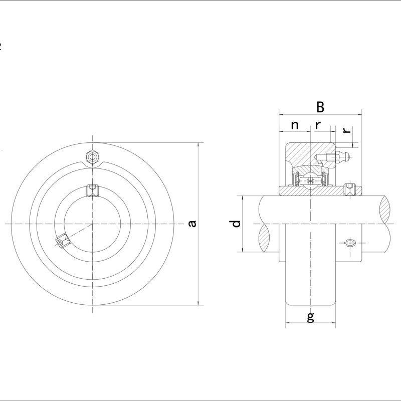
| Диаметр вала | 1d | 1-3/4 in |
| Полная ширина | a | 4.3307 in |
| Ширина корпуса | g | 1-7/32 in |
| Размер фаски | r | 0.098 in |
| Ширина внутреннего кольца | B | 1.937 in |
| Расстояние передняя сторона/центр подшипника | n | 0.748 in |
| Вес | 1.51 kg | |
Благодаря своей надежности, простоте эксплуатации и стабильной работе, подшипники UC широко применяются в различных отраслях:
Выбирая подшипники серии UC, вы выбираете надежность, экономическую эффективность и стабильную работу вашего оборудования.