
Подшипники серии UC представляют собой стандартизированные, широко используемые сферические подшипниковые узлы со стяжными втулками. Основой узла является радиальный шарикоподшипник, имеющий сферическую наружную поверхность (сферический наружный диаметр – SPB), который устанавливается в соответствующий сферический пауз чугунного корпуса. Эта серия, изготавливаемая по метрическим стандартам (ISO/ГОСТ), специально разработана для применения в промышленности, где требуются высокая грузоподъемность, простота монтажа и надежная работа.
| ISO | UCC206 | |
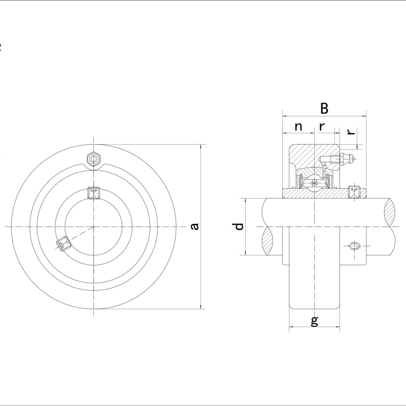
| Bearing No. | UC206 | |
| Housing | C206 | |
| Диаметр вала | d | 30 mm |
| Полная ширина | a | 85 mm |
| Ширина корпуса | g | 27 mm |
| Размер фаски | r | 2 mm |
| Ширина внутреннего кольца | B | 38.1 mm |
| Расстояние передняя сторона/центр подшипника | n | 15.9 mm |
| Вес | 0.8 kg | |
Благодаря своей надежности, простоте эксплуатации и стабильной работе, подшипники UC широко применяются в различных отраслях:
Выбирая подшипники серии UC, вы выбираете надежность, экономическую эффективность и стабильную работу вашего оборудования.