
Подшипники серии UC представляют собой стандартизированные, широко используемые сферические подшипниковые узлы со стяжными втулками. Основой узла является радиальный шарикоподшипник, имеющий сферическую наружную поверхность (сферический наружный диаметр – SPB), который устанавливается в соответствующий сферический пауз чугунного корпуса. Эта серия, изготавливаемая по метрическим стандартам (ISO/ГОСТ), специально разработана для применения в промышленности, где требуются высокая грузоподъемность, простота монтажа и надежная работа.
| ISO | UC206-19 | |
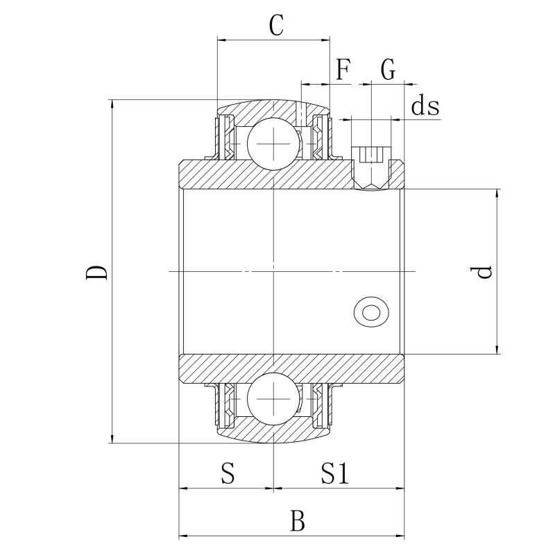
| Диаметр вала | d | 1-3/16 in |
| Наружный диаметр наружного кольца |
D | 2.4409 in |
| Ширина внутреннего кольца | B | 1.5 in |
| Расстояние передняя сторона центр подшипника |
s | 0.626 in |
| Ширина наружного кольца | C | 0.748 in |
| Расстояние от боковой поверхности стопорного устройства до центра дорожки качения | s1 | 0.874 in |
| Размер установочного винта | ds | 1/4-28UNF |
| Расстояние до установочного винта | G | 0.197 in |
| Расстояние от центра ОР до центра зоны смазки |
F | 0.197 in |
| Динамическая грузоподъёмность | C | 11.7 kN |
| Статическая грузоподъёмность | C0 | 6.8 kN |
| Вес | 0.3 kg | |
Благодаря своей надежности, простоте эксплуатации и стабильной работе, подшипники UC широко применяются в различных отраслях:
Выбирая подшипники серии UC, вы выбираете надежность, экономическую эффективность и стабильную работу вашего оборудования.