
Подшипники серии UC представляют собой стандартизированные, широко используемые сферические подшипниковые узлы со стяжными втулками. Основой узла является радиальный шарикоподшипник, имеющий сферическую наружную поверхность (сферический наружный диаметр – SPB), который устанавливается в соответствующий сферический пауз чугунного корпуса. Эта серия, изготавливаемая по метрическим стандартам (ISO/ГОСТ), специально разработана для применения в промышленности, где требуются высокая грузоподъемность, простота монтажа и надежная работа.
| ISO | SA212-36 | |
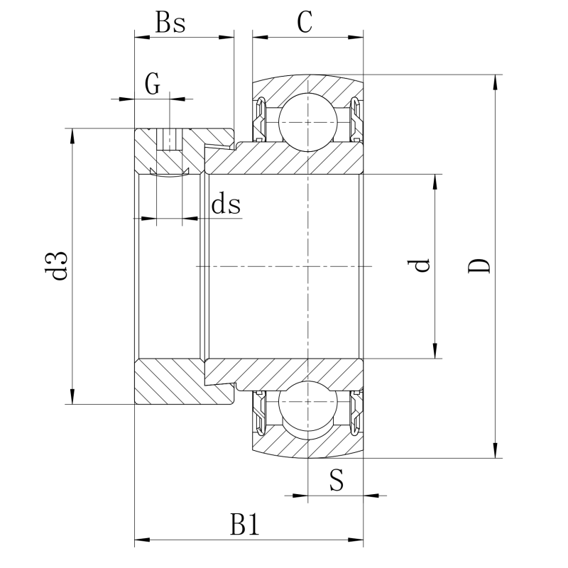
| Диаметр отверстия | d | 2-1/4 in |
| Наружный диаметр | D | 4.3307 in |
| Общая ширина подшипника | B | 2.091 in |
| Ширина внутреннего кольца | B1 | 1.4646 in |
| Ширина наружного кольца | C | 0.8661 in |
| Расстояние от центра подшипника до торца | s | 0.532 in |
| Установочный винт | ds | 3/8-24UNF |
| Расстояние от торцевой поверхности до центра резьбы | G | 0.315 in |
| Расстояние от центра OR до центра зоны смазки | F | 0.291 in |
| ширина фиксирующего кольца | BS | 0.878 in |
| наружный диаметр фиксирующего кольца | d3 | 3.315 in |
| Динамическая грузоподъёмность | C | 28.62 kN |
| Статическая грузоподъёмность | C0 | 19.74 kN |
| Вес | 1.34 kg | |
Благодаря своей надежности, простоте эксплуатации и стабильной работе, подшипники UC широко применяются в различных отраслях:
Выбирая подшипники серии UC, вы выбираете надежность, экономическую эффективность и стабильную работу вашего оборудования.