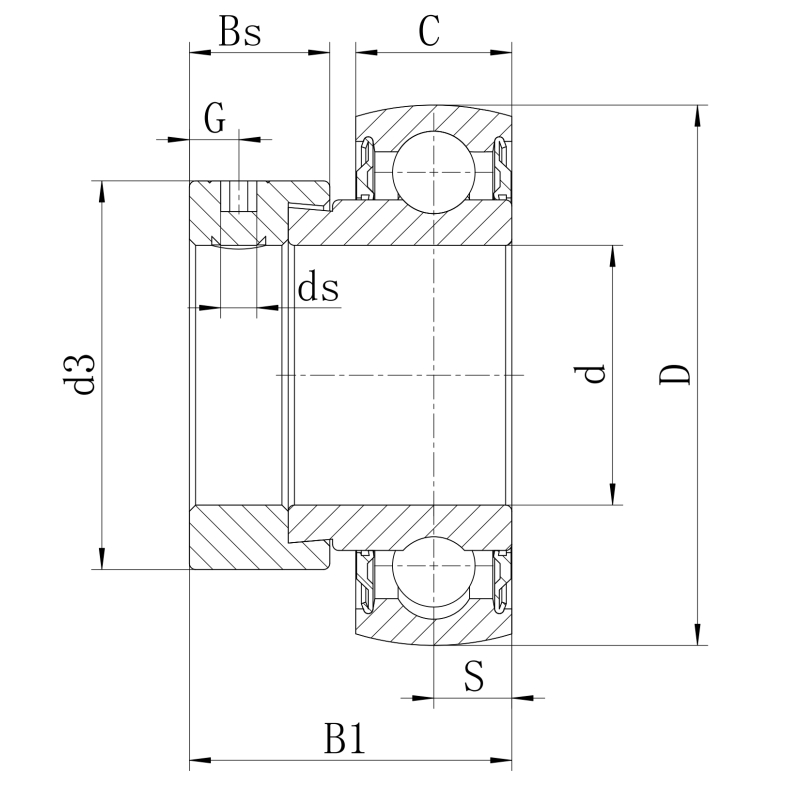
SA211-33
SA211-33
SA211-33
SA211-33