
Подшипники серии UC представляют собой стандартизированные, широко используемые сферические подшипниковые узлы со стяжными втулками. Основой узла является радиальный шарикоподшипник, имеющий сферическую наружную поверхность (сферический наружный диаметр – SPB), который устанавливается в соответствующий сферический пауз чугунного корпуса. Эта серия, изготавливаемая по метрическим стандартам (ISO/ГОСТ), специально разработана для применения в промышленности, где требуются высокая грузоподъемность, простота монтажа и надежная работа.
| ISO | SA210 | |
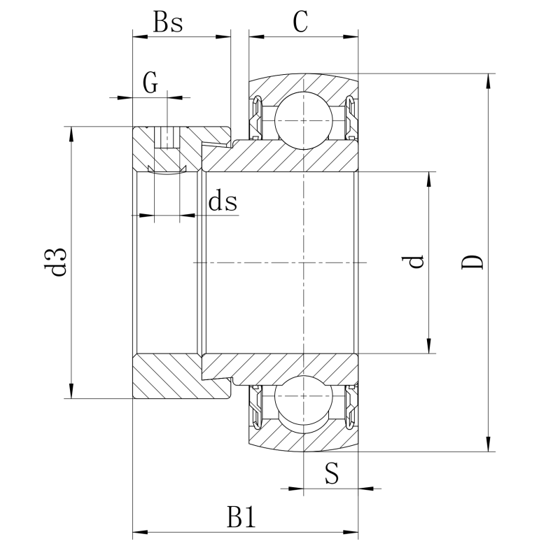
| Диаметр отверстия | d | 50 mm |
| Наружный диаметр | D | 90 mm |
| Общая ширина подшипника | B | 43.7 mm |
| Ширина внутреннего кольца | B1 | 30.2 mm |
| Ширина наружного кольца | C | 20 mm |
| Расстояние от центра подшипника до торца | s | 11 mm |
| Установочный винт | ds | M8X1 |
| Расстояние от торцевой поверхности до центра резьбы | G | 6.8 mm |
| Расстояние от центра OR до центра зоны смазки | F | 6.5 mm |
| ширина фиксирующего кольца | BS | 18.3 mm |
| наружный диаметр фиксирующего кольца | d3 | 69.9 mm |
| Динамическая грузоподъёмность | C | 21 kN |
| Статическая грузоподъёмность | C0 | 13.92 kN |
| Вес | 0.72 kg | |
Благодаря своей надежности, простоте эксплуатации и стабильной работе, подшипники UC широко применяются в различных отраслях:
Выбирая подшипники серии UC, вы выбираете надежность, экономическую эффективность и стабильную работу вашего оборудования.