
Подшипники серии UC представляют собой стандартизированные, широко используемые сферические подшипниковые узлы со стяжными втулками. Основой узла является радиальный шарикоподшипник, имеющий сферическую наружную поверхность (сферический наружный диаметр – SPB), который устанавливается в соответствующий сферический пауз чугунного корпуса. Эта серия, изготавливаемая по метрическим стандартам (ISO/ГОСТ), специально разработана для применения в промышленности, где требуются высокая грузоподъемность, простота монтажа и надежная работа.
| ISO | SA205-13 | |
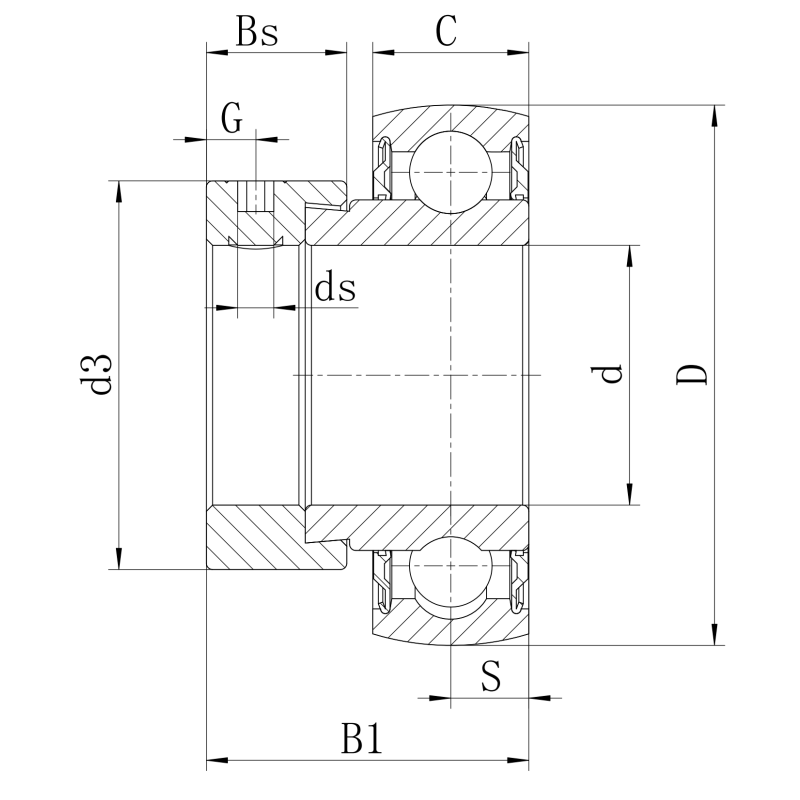
| Диаметр отверстия | d | 13/16 in |
| Наружный диаметр | D | 2.0472 in |
| Общая ширина подшипника | B | 1.22 in |
| Ширина внутреннего кольца | B1 | 0.8465 in |
| Ширина наружного кольца | C | 0.5906 in |
| Расстояние от центра подшипника до торца | s | 0.295 in |
| Установочный винт | ds | 1/4-28UNF |
| Расстояние от торцевой поверхности до центра резьбы | G | 0.189 in |
| Расстояние от центра OR до центра зоны смазки | F | 0.169 in |
| Width of locking collar | BS | 0.531 in |
| Наружный диаметр of locking collar | d3 | 1.5 in |
| Динамическая грузоподъёмность | C | 8.4 kN |
| Статическая грузоподъёмность | C0 | 4.71 kN |
| Вес | 0.22 kg | |
Благодаря своей надежности, простоте эксплуатации и стабильной работе, подшипники UC широко применяются в различных отраслях:
Выбирая подшипники серии UC, вы выбираете надежность, экономическую эффективность и стабильную работу вашего оборудования.