
Подшипники серии UC представляют собой стандартизированные, широко используемые сферические подшипниковые узлы со стяжными втулками. Основой узла является радиальный шарикоподшипник, имеющий сферическую наружную поверхность (сферический наружный диаметр – SPB), который устанавливается в соответствующий сферический пауз чугунного корпуса. Эта серия, изготавливаемая по метрическим стандартам (ISO/ГОСТ), специально разработана для применения в промышленности, где требуются высокая грузоподъемность, простота монтажа и надежная работа.
| ISO | SA205 | |
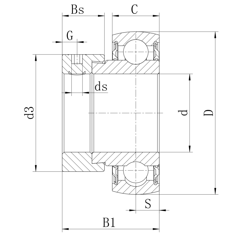
| Диаметр отверстия | d | 25 mm |
| Наружный диаметр | D | 52 mm |
| Общая ширина подшипника | B | 31 mm |
| Ширина внутреннего кольца | B1 | 21.5 mm |
| Ширина наружного кольца | C | 15 mm |
| Расстояние от центра подшипника до торца | s | 7.5 mm |
| Установочный винт | ds | M6X1 |
| Расстояние от торцевой поверхности до центра резьбы | G | 4.8 mm |
| Расстояние от центра OR до центра зоны смазки | F | 4.3 mm |
| Width of locking collar | BS | 13.5 mm |
| Наружный диаметр of locking collar | d3 | 38.1 mm |
| Динамическая грузоподъёмность | C | 8.4 kN |
| Статическая грузоподъёмность | C0 | 4.71 kN |
| Вес | 0.2 kg | |
Благодаря своей надежности, простоте эксплуатации и стабильной работе, подшипники UC широко применяются в различных отраслях:
Выбирая подшипники серии UC, вы выбираете надежность, экономическую эффективность и стабильную работу вашего оборудования.