
Подшипники серии UC представляют собой стандартизированные, широко используемые сферические подшипниковые узлы со стяжными втулками. Основой узла является радиальный шарикоподшипник, имеющий сферическую наружную поверхность (сферический наружный диаметр – SPB), который устанавливается в соответствующий сферический пауз чугунного корпуса. Эта серия, изготавливаемая по метрическим стандартам (ISO/ГОСТ), специально разработана для применения в промышленности, где требуются высокая грузоподъемность, простота монтажа и надежная работа.
| ISO | SA202-9 | |
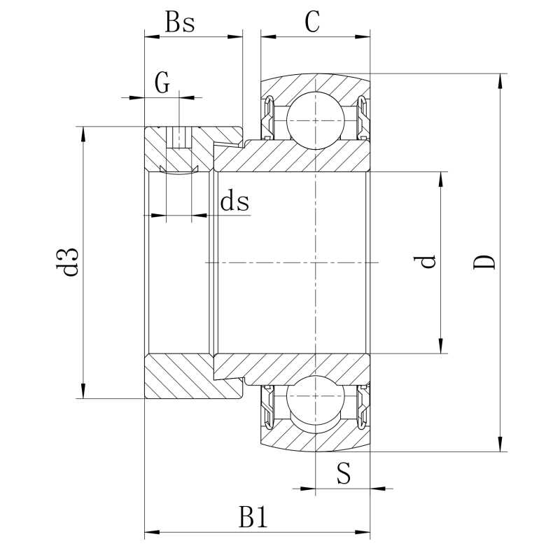
| Диаметр отверстия | d | 9/16 in |
| Наружный диаметр | D | 1.5748 in |
| Общая ширина подшипника | B | 1.126 in |
| Ширина внутреннего кольца | B1 | 0.752 in |
| Ширина наружного кольца | C | 0.4724 in |
| Расстояние от центра подшипника до торца | s | 0.256 in |
| Установочный винт | ds | 1/4-28UNF |
| Расстояние от торцевой поверхности до центра резьбы | G | 0.189 in |
| Расстояние от центра OR до центра зоны смазки | F | 0.134 in |
| Width of locking collar | BS | 0.531 in |
| Наружный диаметр of locking collar | d3 | 1.126 in |
| Динамическая грузоподъёмность | C | 5.76 kN |
| Статическая грузоподъёмность | C0 | 2.76 kN |
| Вес | 0.1 kg | |
Благодаря своей надежности, простоте эксплуатации и стабильной работе, подшипники UC широко применяются в различных отраслях:
Выбирая подшипники серии UC, вы выбираете надежность, экономическую эффективность и стабильную работу вашего оборудования.