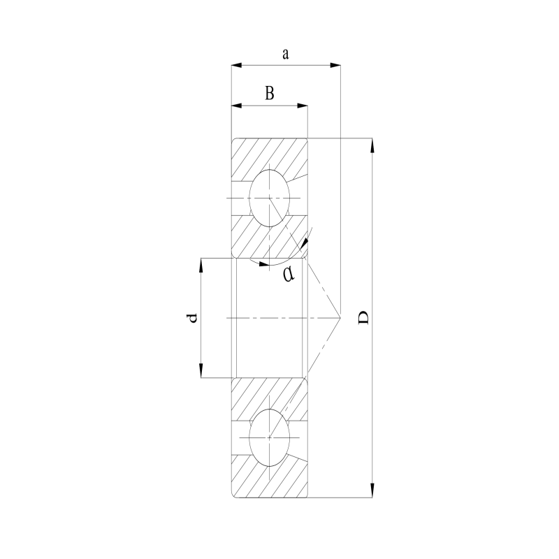
7072 B
7072 B
7072 B
7072 B