
Угловые Контактные Шарикоподшипники (УКШП) — это прецизионные узлы, специально разработанные для одновременного восприятия комбинированных радиальных и осевых нагрузок. В отличие от стандартных радиальных шарикоподшипников, они характеризуются наличием контактного угла (обычно от 15° до 40°), что позволяет им выдерживать значительные осевые усилия в одном направлении, часто в сочетании с умеренными радиальными нагрузками. Такая конструкция делает их незаменимыми в приложениях, требующих высокой точности вращения и жесткости в условиях сложного нагружения.
| ISO | 7056 B | |
| ГОСТ | 66156 | |
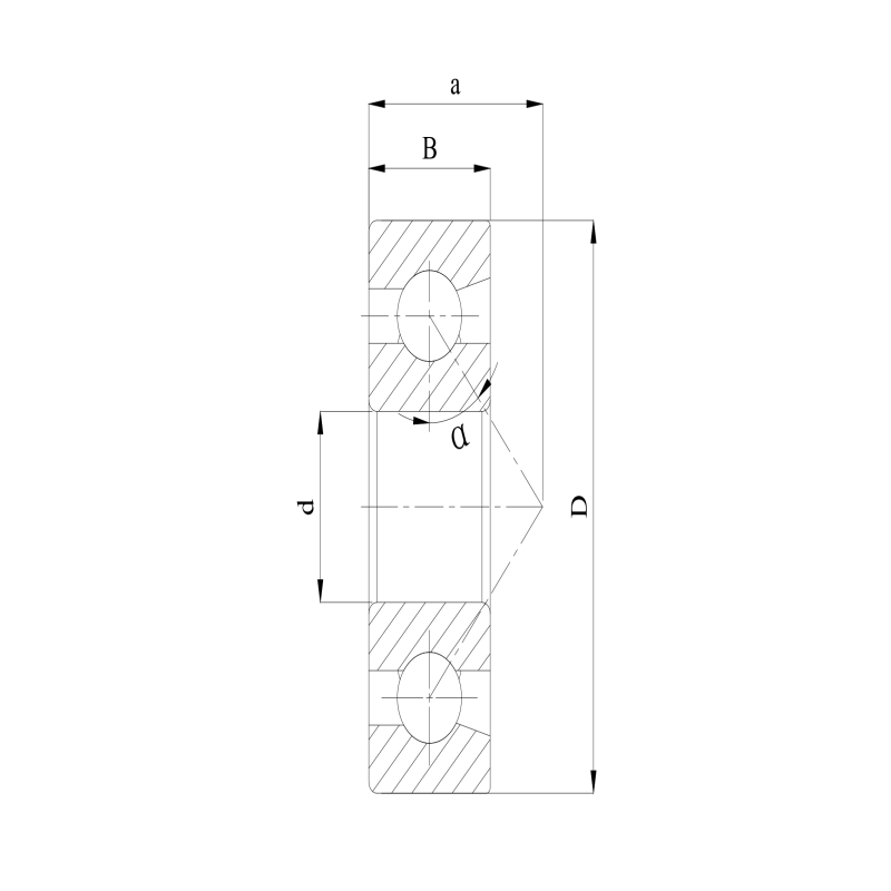
| Диаметр отверстия | d | 280 mm |
| Наружный диаметр | D | 420 mm |
| Ширина | B | 65 mm |
| Динамическая грузоподъёмность | C | 178 kN |
| Статическая грузоподъёмность | C0 | 272 kN |
| Предельная частота вращения | 840 r/min | |
| Базовая частота вращения | 660 r/min | |
| Вес | 30.4 kg | |
Ключевые компоненты Углового Контактного Шарикоподшипника включают:
Однорядные УКШП воспринимают осевые нагрузки преимущественно в одном направлении. Дуплексные комплекты (DB: "спина-к-спине", DF: "лицом-к-лицу", DT: тандем) формируются путем монтажа двух или более одиночных подшипников вместе для восприятия более высоких нагрузок и моментов или двухсторонних осевых усилий.
УКШП являются ключевыми компонентами в различных отраслях, требующих высокой скорости, точности и восприятия комбинированных нагрузок:
УКШП отлично работают в различных сложных условиях, включая: