
Угловые Контактные Шарикоподшипники (УКШП) — это прецизионные узлы, специально разработанные для одновременного восприятия комбинированных радиальных и осевых нагрузок. В отличие от стандартных радиальных шарикоподшипников, они характеризуются наличием контактного угла (обычно от 15° до 40°), что позволяет им выдерживать значительные осевые усилия в одном направлении, часто в сочетании с умеренными радиальными нагрузками. Такая конструкция делает их незаменимыми в приложениях, требующих высокой точности вращения и жесткости в условиях сложного нагружения.
| ISO | 7048 B | |
| ГОСТ | 66148 | |
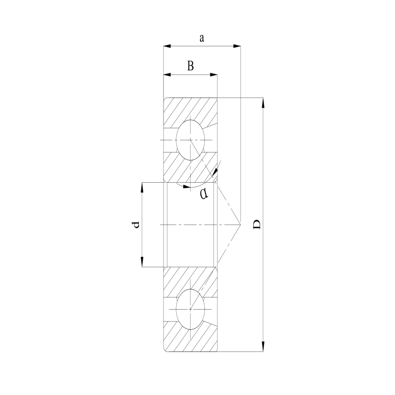
| Диаметр отверстия | d | 240 mm |
| Наружный диаметр | D | 360 mm |
| Ширина | B | 56 mm |
| Динамическая грузоподъёмность | C | 146 kN |
| Статическая грузоподъёмность | C0 | 203 kN |
| Предельная частота вращения | 1020 r/min | |
| Базовая частота вращения | 780 r/min | |
| Вес | 19.7 kg | |
Ключевые компоненты Углового Контактного Шарикоподшипника включают:
Однорядные УКШП воспринимают осевые нагрузки преимущественно в одном направлении. Дуплексные комплекты (DB: "спина-к-спине", DF: "лицом-к-лицу", DT: тандем) формируются путем монтажа двух или более одиночных подшипников вместе для восприятия более высоких нагрузок и моментов или двухсторонних осевых усилий.
УКШП являются ключевыми компонентами в различных отраслях, требующих высокой скорости, точности и восприятия комбинированных нагрузок:
УКШП отлично работают в различных сложных условиях, включая: