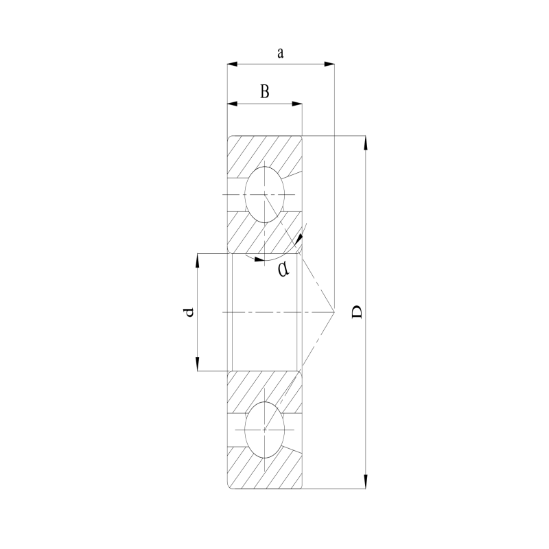
7034 B
7034 B
7034 B
7034 B