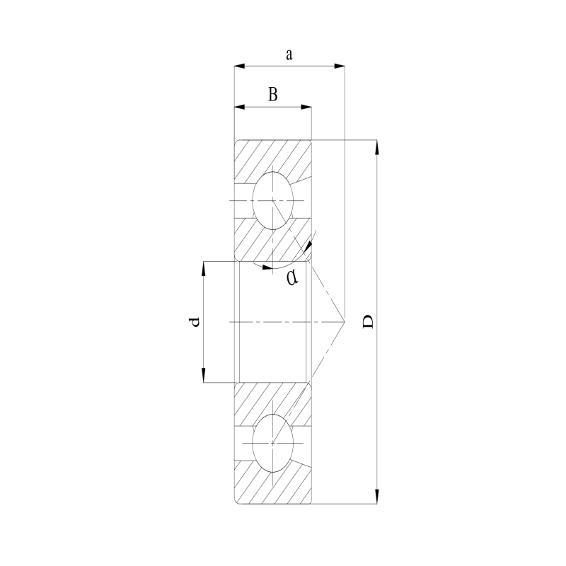
7003 B
7003 B
7003 B
7003 B